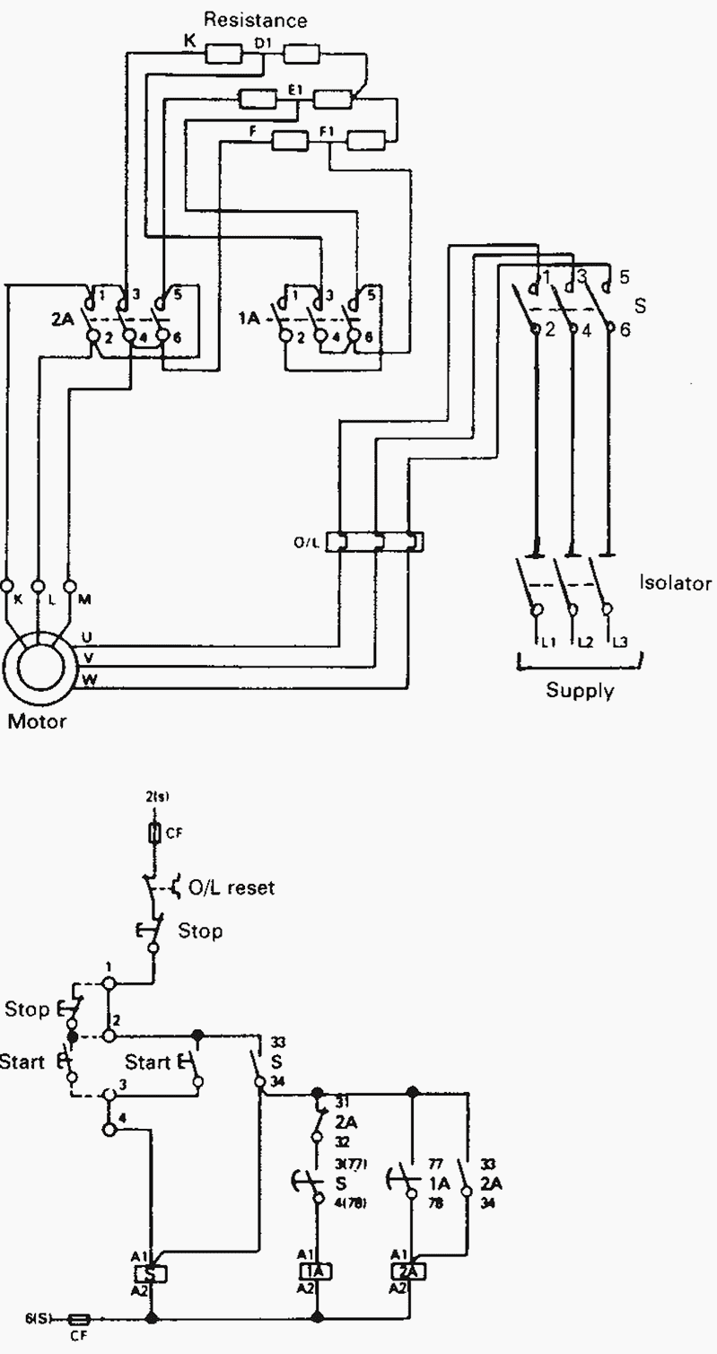
13 17 with a flying lead to be connected to overload terminal 95. A2 14 18.
Super Elastic Hi Rise Jeggings Electrical Circuit Diagram Electrical Wiring Basic Electrical Wiring
Super Elastic Hi Rise Jeggings Electrical Circuit Diagram Electrical Wiring Basic Electrical Wiring Single phase motor dol starter connection diagram.
Connection 3 phase dol starter wiring diagram. A dol starter also known as a direct on line starter or across the line starter is a method of starting a 3 phase induction motor. Thanks for watching this videoplease subscribe this channel for more videoshow do 3 phase star delta motor connection diagramhttpsyoutubemlm6aywchh4. In a dol starter an induction motor is connected directly across its 3 phase supply and the dol starter applies the full line voltage to the motor terminals.
A2 14 18. Tutorial videos and education videos available this channel channel name rselvam66. The following links are pre fitted to the starter.
1 the following links are pre fitted to the starter. 13 17 with a flying lead to be connected to overload terminal 95. Page 2 of 3 eds1001 003 1 three phase supply 230volt coil see wiring diagram u.
We connect the circuit breaker contactor and. 3 phase motor wiring diagrams electrical info pics. And the normally open and normally close push button shown.
All other control and power connections have to be made by the installer as per the dotted lines. Dol starter wiring diagram for three phase motor to wire a 3 phase motor the first thing to wire is a circuit breaker which is a disconnect and connecting point then we will get the supply from the circuit breaker and connect the supply to the contactor or starter and then to the overload relay. In the below dol starter wiring diagram i shown a molded case circuit breaker a magnetic contactor normally open push button normally close push button switch thermal overload relay motor trip indicator and.
The r y b is the three phase 380 volts supply. All other control and power connections have to be made by the installer. The control wiring will be as that for the 240vac coil version of the 3 phase system.
In the above dol starter diagram. Dol starter is starting method3 phase induction motorpdfdirect online starter wiringdol control diagramconnection working principlepower diagramcircuit advantagesdisadvantages. Despite this direct connection no harm is done to the motor.
The contactor connection with thermal overload relay and the motor connection with overload relay is shown. A dol motor starter contains protection devices and in some cases condition monitoring. Wiring of the direct on line dol motor starter 1 three phase supply 230volt coil see wiring diagram.
The coil of the contactor is 380 vac. A wiring diagram of a dol starter is shown below.
What Is Dol Starter Direct Online Starter Wiring And Working
Dol Starter Direct Online Starter Wiring Diagram Schematic Electrical4u
3 Phase Dol Starter Wiring Diagram Urdu Hindi Youtube
Direct On Line Dol Wiring Diagram For 3 Phase With 110 230vac Control Circuit Electrical Circuit Diagram Circuit Diagram Electrical Diagram
What Is Dol Starter Direct Online Starter Wiring And Working
Diagram Wiring Diagram For Schneider Dol Starter Full Version Hd Quality Dol Starter Pvdiagrambradleyb Reteecomusealedeisibillini It
Three Phase Dol Starter Control Overload Indicator Power Wiring Diagram Youtube
3 Phase Dol Starter Connection Three Phase Induction Motor Dol Starter Motor Delta Connection Electrical Circuit Diagram
Direct On Line Starter Wiring Diagram How To Connect A Direct On Line Starter
Direct On Line Dol Motor Starter
What Is Dol Starter Direct Online Starter Wiring And Working
Wiring Diagram And Control Of Direct On Line 3 Phase Motor Starter My Electrical Diary
Direct Online Starter Dol Starter Working Principle Control Wiring Power Diagram
Direct Online Starter Dol Starter
Direct On Line Dol Motor Starter
What Is Direct Online Starter Working Principle And Wiring Diagram Its Application Electrical Technology4u
Https Encrypted Tbn0 Gstatic Com Images Q Tbn And9gcqirj5w Zo Enx9aliybbkopwbds2vagrazw Usqp Cau
Dol Starter Direct Online Starter Wiring Diagram Schematic Electrical4u
Direct Online Starter Construction Working Advantages Disadvantages
Diagram 3 Phase Contactor Connection Diagram Full Version Hd Quality Connection Diagram Df1x44 Epaviste Gratuit Idf Fr
3 Phase Dol Starter Motor Diagram Dol Starter Motor Starter Diagram Youtube
Diagram Wiring Diagram Of Dol Full Version Hd Quality Of Dol Nemaphasediagram Tagofest It
Https Encrypted Tbn0 Gstatic Com Images Q Tbn And9gcrrqiy44ziznpic8pl Adcc9jefvbb2kwrv7glv6bmi2izlmtbq Usqp Cau
Direct On Line Starter क य ह 3 Phase Dol Starter Electronic Gyan
Manuals 3 Phase Motor Starter Circuit Diagram Full Version Hd Quality Circuit Diagram Valk Securpolgroup It
Dol Starter Wiring Diagram Pdf
Construction And Operation Of Direct Online Starter Circuit
3 Phase Dol Starter Wiring Direct On Line Starter Youtube
3 Phase Submersible Pump Wiring Diagram With Dol Starter Eet
Dol Starter Wiring Diagram 3 Phase Motor Electricalonline4u
Diagram How To Select Contactors For Use In Direct On Line Starters Wiring Diagram In Pdf And Cdr Files Format Free Download Wiring Diagram Diagramacaoformaturautensileaffilato Utensileaffilato It
Dol Starter Direct Online Starter Diagram Construction Advantages Electrical4u
Lider 3 Hp Starter For 3 Phase Motor Pump With Spp Autoswitch Ls Dol Aswt 3 Hp Amazon In Industrial Scientific
Three Phase Controller Wiring Diagram Fuse Box For 2004 Lincoln Navigator Begeboy Wiring Diagram Source
Wiring Single Phase Dol Starter Diagram Selbstgenaeht Blog
3 Phase Motor Wiring Diagrams Home Electrical Wiring Electrical Installation Electrical Projects
3 Phase Dol Starter Control And Power Wiring Diagram Water Pump Controller With Float Switch Youtube
Induction Motor Starting Methods Bright Hub Engineering
3 Phase Auto Transformer Diagram Pdf
Wiring Diagram Chint Dol Starter Wiring Diagram New Full Version Wiring Diagram Thedomaindatabase Sicilyultratour It
Https Assets New Siemens Com Siemens Assets Api Uuid 2f7bebc8 7dcd 40a3 9cd5 C052a2977b8b Agri Starter Dol Raja Operating Instruction Pdf
Diagram Wiring Diagram For Motor Starter 3 Phase Full Version Hd Quality 3 Phase Ongoingwiring Mandigotte Fr
Diagram Dol Starter Panel Wiring Diagram Full Version Hd Quality Wiring Diagram Foodpyramiddiagram Potrosuaemfc Mx
Direct Online Starter Construction Working Advantages Disadvantages
3 Phase Dol Starter Connection Three Phase Induction Motor Dol Starter In Tamil And English Youtube Motor Delta Connection Electrical Circuit Diagram
Dol Starter Wiring Diagram For 3 Phase
Diagram D O L Starter Motor Wiring Diagram Star Delta Full Version Hd Quality Delta Vintagesuspensionii Manoamanocreations Fr
Https Encrypted Tbn0 Gstatic Com Images Q Tbn And9gcrxioc5lkdwyewq 5nfvhsez5bqey9mmvalycbsx8kbupjp1pyp Usqp Cau
Diagram How To Select Contactors For Use In Direct On Line Starters Wiring Diagram In Pdf And Cdr Files Format Free Download Wiring Diagram Livediagramsutensileaffilato Utensileaffilato It
Dol Starter Connection And Working Youtube
Star Delta Motor Starter Explained In Details Eep
Three Phase Dol Starter Control And Power Wiring Diagram Reverse Forward With Limit Switch Youtube
Direct On Line Dol Motor Starter
Wiring Diagram For 3 Phase Dol Starter
Direct Online Starter Working Principle And Its Applications
Three Phase Dol Starter Wiring Diagram Animation Youtube
What Is Dol Starter Direct Online Starter Wiring And Working
Electrical And Instrumentation Engineering Direct Online Starter Dol Motor Starter Circuit Diagram And Working Principle
Dol Starter Direct Online Starter Wiring Diagram Schematic Electrical4u
Diagram Dol Starter Panel Wiring Diagram Full Version Hd Quality Wiring Diagram Foodpyramiddiagram Potrosuaemfc Mx
Dol Starter Remote Wiring Connection Youtube
Dol Starter Circuit Diagram Single Phase Carolspoetrypassion
Diagram Dol Starter Wiring Diagram Video Full Version Hd Quality Diagram Video Healthywiring1i Tuttomodenaweb It
Diagram Subaru Start Wiring Diagram Full Version Hd Quality Wiring Diagram Splitsdiagram Magnetikitalia It
Direct On Line Dol Motor Starter Electrical Circuit Diagram Basic Electrical Wiring Electronic Engineering
Diagram Siemens Dol Starter Wiring Diagram Full Version Hd Quality Wiring Diagram Kreisdiagramm Biennaleangelogarofalo It
Diagram Wiring Diagram Delta Motor Connection Full Version Hd Quality Motor Connection Phasediagramgenerator Amicidigrisciano It
Diagram Wiring Diagram Of Dol Full Version Hd Quality Of Dol Nemaphasediagram Tagofest It
Diagram Telemecanique D O L Starter Wiring Diagram Full Version Hd Quality Wiring Diagram Dngwiring Cometacomunicazioni It
Diagram Grounded Delta Wiring Diagram B Full Version Hd Quality Diagram B Bazarlivresz Federperiti It
Diagram Car Starter Circuit Diagram Full Version Hd Quality Circuit Diagram Riyingwiring2a Lacasa Ilfilm It
3 Phase Dol Starter Control Wiring Direct On Line Starter Yk Electrical Youtube
Https Encrypted Tbn0 Gstatic Com Images Q Tbn And9gcqxrnkw0haokfjypqprungv0jabtdpkt Vfth9d6j82ia6koqlb Usqp Cau
Diagram 480v 3 Phase Reversing Motor Starter Wiring Diagram Wiring Diagram Full Version Hd Quality Wiring Diagram Wolfewiring Kyosho Center Eu
Induction Motor Starting Methods Bright Hub Engineering
Wiring Diagram D O L Circuit Diagram New Full Version Circuit Diagram Outoftheboxmortgages Bioenergeticshen It
Diagram Wiring Diagram Delta Motor Connection Full Version Hd Quality Motor Connection Phasediagramgenerator Amicidigrisciano It
March 2012 Electrical Notes Articles
Diagram Wiring Diagram For Single Phase Forward Reverse Full Version Hd Quality Forward Reverse Cladisticdiagram Maremmagolfclub It
Diagram Dol Starter Wiring Diagram Video Full Version Hd Quality Diagram Video Healthywiring1i Tuttomodenaweb It
Electronic Overload Relay Wiring Diagram Eocr Ss
3 Phase Dol Starter Wiring Diagram
Diagram Siemens Dol Starter Wiring Diagram Full Version Hd Quality Wiring Diagram Kreisdiagramm Biennaleangelogarofalo It
How To Wire A Contactor And Overload Direct Online Starter By Earthbondhon Youtube
Direct Online Starter Dol Starter
Diagram 3 Phase Starter Diagram Full Version Hd Quality Starter Diagram Jswiringk Spaziofocus It
March 2012 Electrical Notes Articles
Diagram Wiring Diagram Delta Motor Connection Full Version Hd Quality Motor Connection Phasediagramgenerator Amicidigrisciano It
3 Phase Starter Wiring Diagram 2003 Camry Fuse Box Diagram Duramaxxx Diau Tiralarc Bretagne Fr
Diagram 480v 3 Phase Reversing Motor Starter Wiring Diagram Wiring Diagram Full Version Hd Quality Wiring Diagram Wolfewiring Kyosho Center Eu
Diagram Circuit Diagram 3 Phase Star Delta Starter Full Version Hd Quality Delta Starter Powerandsystem Unblogunapero Fr
Induction Motor Starting Methods Bright Hub Engineering
Diagram Wiring Diagram For Single Phase Forward Reverse Full Version Hd Quality Forward Reverse Cladisticdiagram Maremmagolfclub It
Overload Relay Principle Of Operation Types Connection
Siemens Starters Deekay Electricals
Https Encrypted Tbn0 Gstatic Com Images Q Tbn And9gcqruoeurdn704vl4pjyighmqyk Np3hfwlomp4uxmqtjdhhhwqv Usqp Cau
Wiring A Single Phase Motor Through A 3 Phase Contactor How And Why
Diagram Wiring Diagram Starter Motor Full Version Hd Quality Starter Motor Furnacewiring9 Indebitoilfilm It
Download Schema Direct On Line Dol Starter Wiring Diagram Wiring Diagram Hd Version Jeepdiagrams Chefscuisiniersain Fr
Diagram 208v 3 Phase Motor Wiring Diagram 9 Wire Full Version Hd Quality 9 Wire 2eengineer Chagny Se Transforme Fr



No comments:
Post a Comment